Une installation photovoltaïque basique (sans appareillage supplémentaire) ne permet pas de consommer tout ce qui est produit, seulement 20 à 30 % est utilisé (Il s’agit du « taux d’autoconsommation »).
Pour augmenter fortement ce taux, nous avons maintenant la possibilité de « router » le surplus vers le chauffe-eau, et ceci grâce à un « routeur » mis au point dernièrement par une équipe de petits génies que l’on peut retrouver sur le « Forum photovoltaïque ». http://forum-photovoltaique.fr/viewtopic.php?f=110&t=40512
Ce routeur est compatible avec le « Linky » et un chauffe-eau électrique classique ou avec thermostat électronique en apportant une petite modification (non compatible avec un chauffe-eau thermo-dynamique).
Autre avantage, vous pourrez vous dispenser de l’abonnement jour / nuit.
Ce « routeur » ou « optimiseur » (à moins de 100€) sera très vite amorti !
Pour comprendre le fonctionnement de cet « optimiseur », il suffit de regarder le schéma ci-contre :
S’il n’y a pas eu un ensoleillement suffisant dans la journée, une « horloge » permet de faire l’appoint à partir du réseau (EDF, Enercoop, ou autre) en début de soirée.
Principe simplifié de fonctionnement : une mini pince ampèremétrique va détecter si du courant est envoyé vers le réseau de distribution. Si c’est le cas, le routeur enverra ce courant vers le chauffe-eau !

Optimiseur – Routeur de Tignous – Base

Non représenté, le capteur de courant sct-013 à placer sur le fil de « phase » entre le disjoncteur général, et le tableau de distribution. Cet ensemble « routeur » devra donc être situé tout près du tableau de distribution.


On peut se procurer l’ensemble « Routeur de Tignous » en kit ou tout monté, via le forum photovoltaïque, voir http://forum-photovoltaique.fr/viewtopic.php?f=110&t=40512
Contacter alors « rolrider » par message privé.
Optimiseur Niveau 1 (avec horloge)

Le programmateur est représenté réglé sur « Marche » entre 17h30 et 21h pour assurer l’appoint.
On peut se le procurer sur Aliexpress (réf SUL181 H) pour moins de 15€
Le programmateur (horloge) pilote un relais « jour-nuit » qui est parfaitement dimensionné pour le chauffe-eau et il autorise un fonctionnement manuel très simple (marche forcée, position automatique en hiver ou arrêt du complément en été)

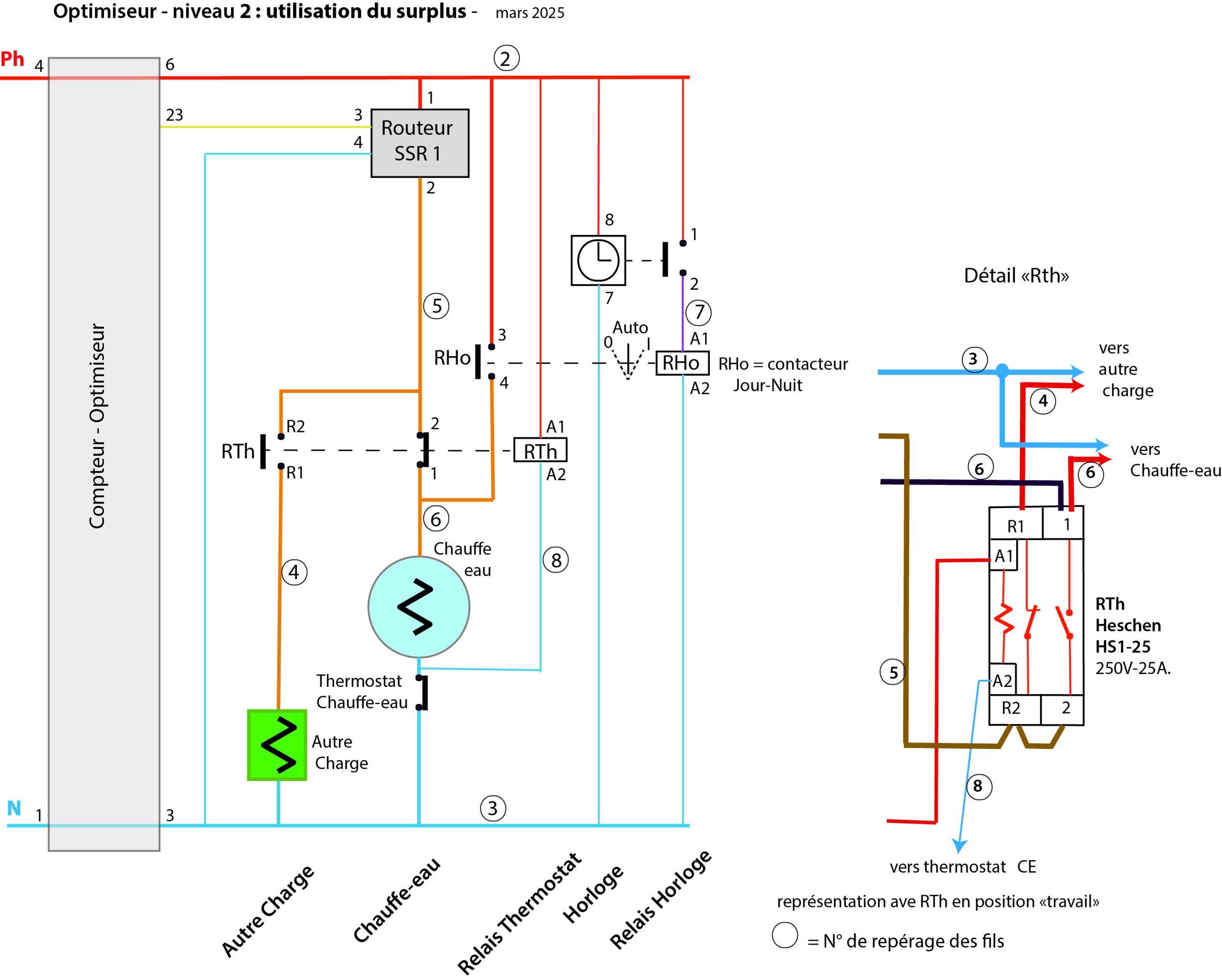
Optimiseur Niveau 2 (avec utilisation du surplus)

Utilisation du surplus (pas d’envoi d’énergie sur le réseau) :
On utilise l’information donnée par le thermostat du chauffe-eau pour piloter un relais inverseur qui va basculer la production vers une autre charge (attention de ne pas sous-dimensionner ce relais, choisir par exemple un Heschen HS1-25, le modèle utilisé précédemment JQX… ne s’est pas avéré très fiable ! )
Le relais Rth est en position « travail » lorsque l’eau du CE n’a pas atteint sa température de consigne.

Connaître son surplus de puissance photovoltaïque disponible
Réalisez vous-même cet afficheur avec un Arduino !

Ombrage sur panneaux solaires, choix du meilleur emplacement :
Pour déterminer l’influence des obstacles (masques) qui provoquent de l’ombrage sur les panneaux, nous avons à disposition, un super outil, en ligne, gratuit, en français (à sélectionner en haut à gauche), avec mode d’emploi détaillé en bas de page :
https://www.sunearthtools.com/dp/tools/pos_sun.php?lang=fr
Entrez le nom de votre ville dans la case « recherche », puis positionnez précisément le centre du cercle sur votre habitation. Dans la case à droite, sélectionnez « create manage your obstacle profil » ….
Dans la case à droite, sélectionnez « create manage your obstacle profil » ….
(les profiles d’obstacles que vous créez sont sauvegardés)
Pour vous faciliter la tâche (indications de l’azimut et de l’élévation du viseur de votre smartphone, pour créer les profils, )
Un outil gratuit pour iPad et iPhone : iRulerHandy
Une autre appli gratuite, très pratique et très simple à utiliser :
» La trajectoire du soleil «
Pour Iphone et Ipad :
https://apps.apple.com/fr/app/la-trajectoire-du-soleil/id1502500167
Pour Androïd :
https://play.google.com/store/apps/details?id=jp.gr.java_conf.siranet.sunshine&hl=fr&gl=US
Nota : votre smartphone doit être équipé d’ une boussole !




Suiveur solaire ou montage fixe ?

Autres points importants :
Mise à la terre des parties métalliques : selon la réglementation, tous les cadres alu des panneaux doivent être reliés à la terre par un conducteur vert-jaune de 6 mm2 minimum avec cosses en cuivre étamé, par ex : SC6-6 (voir tous les détails sur le forum photovoltaïque)
exemple : HO7VK (fil souple) Voir la norme UTE C 15-712-1 complète ici
Câbles courant continu (câbles solaires) : les câbles reliant les panneaux photovoltaïques à l’onduleur sont d’un type spécial à double isolation pour résister aux contraintes (température, tension élevée, intempéries…).
Une section de 4 mm2 convient à la plupart des installations, cependant, pour des distances importantes (plus de 20 m), il est recommandé de vérifier la chute de tension au moyen d’un logiciel en ligne ( voir ici (lien HS a corriger) ou là avec une calculette plus complète qui permet de déterminer les câbles en alternatif).
exemple de fournisseur pour les câbles : ElectricitéPro.com
Coffrets électriques de protection (d’après norme UTE-C157-12) :
Les parties courant continu et courant alternatif peuvent cohabiter dans un même tableau, s’il existe une séparation entre les deux.
Côté courant continu, prévoir : Côté courant alternatif, prévoir :
– 1 sectionneur DC – 1 disjoncteur AC avec protection 30 mA
– 1 parafoudre DC type 2, 5kA mini – 1 parafoudre AC
– étiquette : ne pas manoeuvrer en charge – étiquette : coupure photovoltaïque


Câblage (*): Pour minimiser les tensions induites dues à la foudre, la surface de l’ensemble des boucles doit être aussi faible que possible, en particulier pour le câblage des chaînes PV. Les câbles d.c.(câbles solaires) et le conducteur d’équipotentialité doivent cheminer côte à côte.
(*) Source : Norme UTE C 15-712-1


Exemple de réalisation, performance de l’installation et devis détaillé: cliquer ici
